







































Зарегистрируйтесь, чтобы делать покупки, отслеживать заказы и пользоваться персональными скидками и баллами.
Электроотопительный котел ЭПО класса «Стандарт-Эконом» - это самая бюджетная модель в ряду отопительных приборов ЭВАН, которая подходит для использования как дома, так и на даче. Снижение цены на прибор на 20% в отличие от следующего за ним класса «Стандарт» достигается за счет отсутствия корпуса, объединяющего котел и пульт управления, при сохранении всех базовых характеристик и возможностей.
Требуемая температура теплоносителя в котле устанавливается встроенным термостатом путем плавной регулировки от 30 до 85 градусов. Кроме того, котлы имеют возможность подключения внешнего термостата, при помощи которого можно регулировать температуру воздуха в помещении.
Для обеспечения безопасности при нагреве до заданной температуры теплоносителя терморегулятор отключает котел и включает его снова после снижения температуры ниже заданной. Для дополнительной защиты от перегрева приборы оснащены самовозвратным аварийным термовыключателем, который, в случае выхода из строя основного терморегулятора отключает котел при достижении теплоносителем температуры 92 градуса. ТЭНы котла ЭПО, как и всех без исключения электрокотлов ЭВАН, сделаны из нержавеющей стали, что повышает срок их службы.
| Энергозависимый | да | 
| Ширина | 650 мм | 
| Тип установки | напольный | 
| Тип товара | Котел отопления электрический | 
| Страна производства | Россия | 
| Страна производитель | Россия | 
| Срок заводской гарантии, лет | 1.5 | 
| Серия | ЭПО | 
| Расширительный бак | нет | 
| Принцип работы котла | тэн | 
| Площадь отапливаемого помещения, кв.м. | 75 | 
| Площадь обогрева, метров квадратных | 75 | 
| Отапливаемая площадь, м² | 75 | 
| Область применения | для дома, для квартиры | 
| Наличие насоса | нет | 
| Наличие контура ГВС | Нет | 
| Нагревательный элемент | ТЭН | 
| Мощность, кВт | 7.5 | 
| Модель | ЭПО7,5 | 
| Мин. мощность, кВт | 7.5 | 
| Материал теплообменника | нержавеющая сталь | 
| Масса в упаковке, кг, не более | 16.2 | 
| Макс. мощность, кВт | 7.5 | 
| Количество фаз питания | 3 | 
| Количество контуров | 1 | 
| Гарантия, лет | 1.5 | 
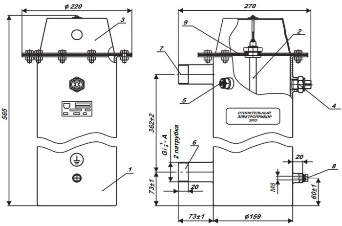
| Габаритные размеры в упаковке, мм | 220х650х565 | 
| Габаритные размеры (ВхШхГ), мм | 565х270х220 | 
| Высота | 565 мм | 
| Вид котла | Электрический | 
| Бренд | ЭВАН | 
| Вес | 16200 г | 
| Длина | 220 мм | 
Помогите другим пользователям с выбором - будьте первым, кто поделится своим мнением об этом товаре.
Проектирование систем отопления в Москве и Московской области: Комплексное решение под ключ
Подробнее












