







































Зарегистрируйтесь, чтобы делать покупки, отслеживать заказы и пользоваться персональными скидками и баллами.
Электрический котел марки ЭВАН, модель ЭПО-9,45, производится в Болгарии. Этот котел предназначен для отопления различных типов помещений, будь то жилые дома, производственные здания или сельскохозяйственные постройки. Мощность прибора составляет 9.45 кВт, что позволяет обогревать площадь до 94,5 м². При этом котел весит всего 12 кг и имеет КПД 99%, что делает его эффективным и легким в установке.
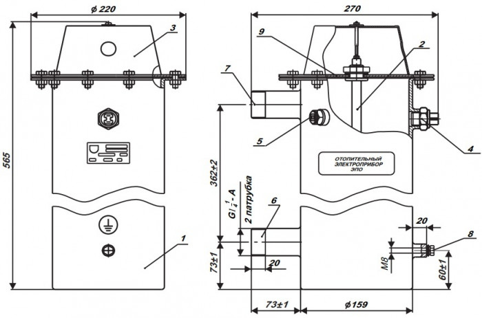
Котел работает на электричестве и оснащен теном в качестве нагревательного элемента. Теплообменник выполнен из нержавеющей стали, что гарантирует долговечность и надежность прибора. Размеры устройства: 565х270х220 мм. Электрический котел ЭВАН ЭПО-9,45 энергозависимый и требует подключения к электросетям 220 или 380 В. Питание осуществляется по трехфазной системе. Устройство может работать в диапазоне температур от -45°C до +40°C при относительной влажности до 98% при +25°C.
Управление котлом осуществляется механически, что обеспечивает простоту и надежность в использовании. Несмотря на отсутствие встроенного насоса, расширительного бака и других дополнительных устройств, данный котел позволяет подключать внешнее оборудование, такое как датчик температуры воздуха или модуль дистанционного управления. Это дает пользователю возможность более точно регулировать температуру в помещении и управлять котлом удаленно.
Модель ЭПО-9,45 обладает максимальной мощностью в 9.45 кВт и не имеет возможности регулировки мощности, что упрощает эксплуатацию. Котел настенного размещения экономит место и легко вписывается в интерьер любого помещения. Благодаря своей конструкции и функциям, этот прибор подходит как для основного, так и для резервного источника теплоснабжения. Срок гарантии на данный котел составляет 5 лет, что подтверждает его надежность и качество.
Электрический котел ЭВАН ЭПО-9,45 отличается высокой эффективностью и удобством использования. Благодаря высоким показателям КПД, долговечным материалам и продуманной конструкции, этот прибор является отличным выбором для любого пользователя. Возможность подключения дополнительных устройств позволяет повысить комфорт эксплуатации и сделать управление отоплением более точным.
Также стоит отметить, что наличие механического управления упрощает пользование котлом, а его компактные размеры делают установку и размещение легкими и удобными. Котел подходит для различных типов помещений, обладает надежной защитой от влаги и перепадов температуры, что делает его устойчивым к различным условиям эксплуатации. Если вы ищете надежный и эффективный способ обогрева, электрический котел ЭВАН ЭПО-9,45 станет отличным решением.
| Энергозависимый | да | 
| Управление | механическое | 
| Тип установки | напольный | 
| Тип топлива | электричество | 
| Страна производства | Россия | 
| Серия | ЭПО | 
| Расширительный бак | нет | 
| Принцип работы котла | тэн | 
| Подключение к электросетям | 220 / 380 В | 
| Площадь отапливаемого помещения, кв.м. | 95 | 
| Отапливаемая площадь, м² | 94.5 | 
| Направление | Отопление | 
| Наличие насоса | нет | 
| Нагревательный элемент | ТЭН | 
| Мощность, кВт | 9.45 | 
| Мин. мощность, кВт | 9.45 | 
| Материал теплообменника | нержавеющая сталь | 
| Макс. мощность, кВт | 9.45 | 
| КПД | 99 | 
| Количество фаз питания | 3 | 
| Количество контуров | 1 | 
| Гарантия, лет | 45413 | 
| Габариты | 565х270х220 мм | 
| Возможность удаленного управления | да | 
| Возможность подключения оборудования | датчик температуры воздуха / модуль дистанционного упрваления | 
| Вид котла | Электрический | 
| Бренд | ЭВАН | 
| Вес | 12 кг | 
Помогите другим пользователям с выбором - будьте первым, кто поделится своим мнением об этом товаре.
Проектирование систем отопления в Москве и Московской области: Комплексное решение под ключ
Подробнее













