







































Зарегистрируйтесь, чтобы делать покупки, отслеживать заказы и пользоваться персональными скидками и баллами.
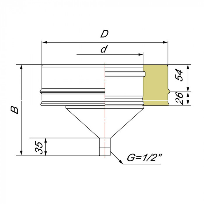
Конденсатосборник Вулкан - это специализированный элемент системы дымохода, разработанный для эффективного сбора конденсата. Он устанавливается в системах с трубами диаметром 115/210 мм и обеспечивает защиту от негативного влияния влаги на конструкцию дымохода. Этот элемент предназначен для продления срока службы оборудования и обеспечения его надежной работы.
Конденсатосборник играет важную роль в системе дымохода, предотвращая накопление влаги, которая может привести к коррозии и ухудшению работы всей системы. Без установки такого устройства, риск повреждения или уменьшения эффективности дымоотводящей системы значительно возрастает. Он просто необходим в условиях, где перепады температуры вызывают обильное образование конденсата внутри дымохода.
Одной из ключевых характеристик конденсатосборника Вулкан является использование высококачественных материалов. Этот элемент изготовлен из нержавеющей стали марок AISI 321 матовой и AISI 304 зеркальной. Толщина стали составляет 0,5 мм, что гарантирует долгий срок службы и устойчивость к неблагоприятным внешним воздействиям.
Использование нержавеющей стали в конструкции конденсатосборника также обеспечивает легкость в очистке и уходе за устройством. Матовая и зеркальная отделка добавляет изделию эстетичный вид, что может быть важным фактором при его установке в видимых частях крыши или в помещениях.
Еще одной особенностью конденсатосборника Вулкан является его двустенное устройство с раструбно-профильным соединением. Это решение позволяет обеспечить надежное и герметичное крепление элементов, предотвращая утечки конденсата и повышая общую безопасность системы.
Раструбно-профильное соединение успешно справляется с задачей легкого и быстрого монтажа, обеспечивая при этом прочное сцепление, благодаря чему установка изделия не потребует особых усилий. Свердловина данной конструкции разработана так, чтобы выдерживать эксплуатационные нагрузки и менять размер в пределах допускаемых норм, что делает ее применимой в различных условиях эксплуатации.
Монтаж конденсатосборника прост и удобен даже для непрофессионалов. Тем не менее, для установки рекомендуется привлекать специалистов, чтобы гарантировать корректность и надежность каждого соединения в системе дымохода. Это позволит обеспечить безукоризненную работу системы в течение долгого времени.
Бренд | Вулкан |
Помогите другим пользователям с выбором - будьте первым, кто поделится своим мнением об этом товаре.
Проектирование систем отопления в Москве и Московской области: Комплексное решение под ключ
Подробнее


