







































Зарегистрируйтесь, чтобы делать покупки, отслеживать заказы и пользоваться персональными скидками и баллами.
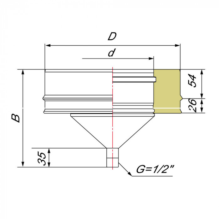
Конденсатосборник двустенного типа, выполненный брендом Вулкан, предназначен для использования в системах вентиляции и дымоходах. Его главная функция — эффективный сбор конденсата, образующегося в процессе отвода дымовых газов. Система соединения раструбно-профильного типа обеспечивает надежное и герметичное соединение с трубами диаметром 120/220 мм.
Бренд Вулкан славится инновационными и качественными решениями, и этот конденсатосборник не исключение. Подобное устройство необходимо для предотвращения проникновения влаги в дальнейшие элементы конструкции, обеспечивая безопасность и долговечность всей установки. Такие решения особенно актуальны для помещений с повышенной влажностью или нестабильными температурными условиями.
Изготовленный из нержавеющей стали AISI 321 и AISI 304, конденсатосборник марки Вулкан обладает высокой устойчивостью к коррозии и длительным сроком службы. Использование двух типов стали позволяет комбинировать матовое и зеркальное покрытие, что не только улучшает эстетические свойства изделия, но и его функциональные характеристики.
Толщина стали составляет 0,5 мм, этого вполне достаточно для создания прочной и надежной конструкции, которая выдержит воздействие высоких температур и тяжелых условий эксплуатации. Двустенная конструкция обеспечивает дополнительное утепление, что крайне важно для минимизации образования конденсата и снижения теплопотерь.
Конденсатосборник Вулкан предназначен для различных типов котлов и дымоходов, предлагая функциональное решение для их обслуживания и продления срока их эксплуатации. Использование конденсатосборника решает множество задач, связанных с накоплением влаги внутри дымоходных систем и, как следствие, предупреждением их разрушения.
Основные преимущества использования данного конденсатосборника:
Таким образом, двустенный конденсатосборник от бренда Вулкан представляет собой оптимальное решение для обеспечения эффективной и долговечной работы дымоходных систем, обеспечивая как функциональность, так и высокий уровень безопасности.
Бренд | Вулкан |
Помогите другим пользователям с выбором - будьте первым, кто поделится своим мнением об этом товаре.
Проектирование систем отопления в Москве и Московской области: Комплексное решение под ключ
Подробнее


