







































Зарегистрируйтесь, чтобы делать покупки, отслеживать заказы и пользоваться персональными скидками и баллами.
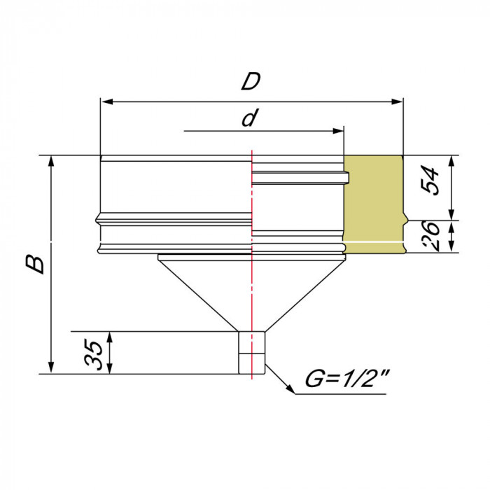
Конденсатосборник двустенный с раструбно-профильным соединением представляет собой деталь, специально разработанную для сбора и отвода конденсата, образующегося внутри трубопроводов. Основная функция этого устройства — предотвращение накопления влаги в системе, что может привести к ее повреждению или снижению эффективности работы. Диаметр трубы составляет 130/230 мм, что позволяет установить конденсатосборник на соответствующие по размеру дымоходы. Это изделие разработано с учетом таких параметров, как прочность, долговечность и устойчивость к агрессивным средам.
Конденсатосборник изготовлен из высококачественной нержавеющей стали, что обеспечивает ему долговечность и надежность. Этот материал гарантирует устойчивость к коррозии, температурным перепадам и механическим повреждениям. Для производства используется сталь марок AISI 321 (матовая) и AISI 304 (зеркальная) с толщиной 0,5 мм. Эти стали известны своей хорошей антикоррозийной стойкостью и теплостойкостью, что делает их идеальными для использования в дымоходных системах.
Двустенная конструкция конденсатосборника обеспечивает дополнительную изоляцию и защиту, повышая эффективность его работы. Раструбно-профильное соединение обеспечивает надежное сцепление с трубой, предотвращая утечки и обеспечивая легкость монтажа и демонтажа. Корпус изделия имеет гладкую поверхность, что способствует низкому сопротивлению воздуха и жидкости внутри системы.
Конденсатосборник принадлежит к продукции бренда Вулкан, который зарекомендовал себя как производитель надежного и качественного оборудования для дымоходных систем. Продукция этого бренда отличается высокой точностью изготовления и вниманием к деталям, что делает их решения актуальными для пользователей, ищущих долговечные и эффективные компоненты для своих отопительных систем.
Преимущества продукции Вулкан включают в себя:
Именно благодаря этим характеристикам продукция бренда Вулкан становится выбором профессионалов в области установки и эксплуатации дымоходных систем.
Бренд | Вулкан |
Помогите другим пользователям с выбором - будьте первым, кто поделится своим мнением об этом товаре.
Проектирование систем отопления в Москве и Московской области: Комплексное решение под ключ
Подробнее


