







































Зарегистрируйтесь, чтобы делать покупки, отслеживать заказы и пользоваться персональными скидками и баллами.
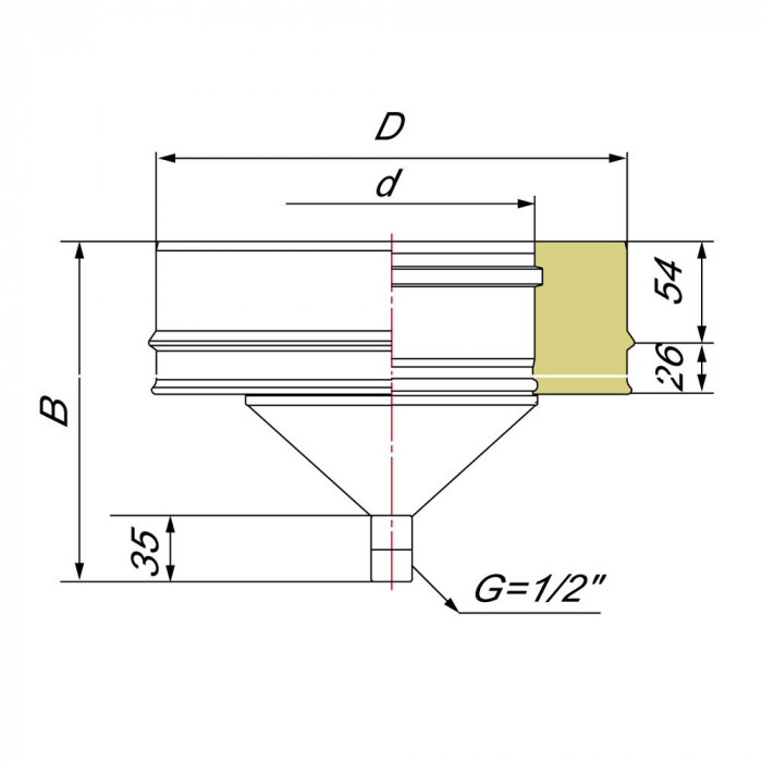
Двустенный конденсатосборник от бренда Вулкан – надежное устройство для сбора конденсата, которое отличается высоким качеством исполнения. Его уникальная конструкция с раструбно-профильным соединением позволяет легко и безопасно подключать его к трубам различных диаметров, в частности 160/260 мм. Благодаря этому процесс монтажа становится интуитивно понятным и быстрым, что существенно упрощает работу с данным оборудованием.
Двойная стенка конденсатосборника обеспечивает дополнительную защиту и долговечность, делая его отличным выбором как для профессионального использования, так и для домашних площадок. Этот важный элемент системы вентиляции или канализации защищает конструкцию от неблагоприятных условий окружающей среды и создает дополнительные возможности для регулирования температурных режимов.
Конденсатосборник изготовлен из высококачественной нержавеющей стали марок AISI 321 и AISI 304. Эти материалы хорошо известны своей долговечностью и устойчивостью к коррозии, что делает их идеальным выбором для создания подобных изделий. AISI 321 обладает матовой поверхностью, которая придает классический и строгий внешний вид, в то время как AISI 304 имеет зеркальную поверхность, отражающую свет и придающую изделию стильный вид.
Толщина материала составляет 0,5 мм, что обеспечивает оптимальное сочетание легкости и прочности. Нержавеющая сталь устойчива к воздействию влаги, что делает конденсатосборник подходящим даже для использования в условиях высокой влажности.
Конденсатосборник Вулкан легко интегрируется в систему вентиляции благодаря своей универсальной конструкции. Он защищает систему от накопления лишней влаги и продлевает срок службы установленных труб. Простое раструбно-профильное соединение обеспечивает надежное крепление, способствующее эффективному функционированию всей системы.
Процесс установки минимально сложный и не требует специальных навыков, что делает этот элемент популярным выбором среди как мастеров своего дела, так и новичков в этой области. Универсальность в применении позволяет использовать его в различных конфигурациях, обеспечивая максимальную эффективность и простоту в обслуживании.
Бренд | Вулкан |
Помогите другим пользователям с выбором - будьте первым, кто поделится своим мнением об этом товаре.
Проектирование систем отопления в Москве и Московской области: Комплексное решение под ключ
Подробнее


