







































Зарегистрируйтесь, чтобы делать покупки, отслеживать заказы и пользоваться персональными скидками и баллами.
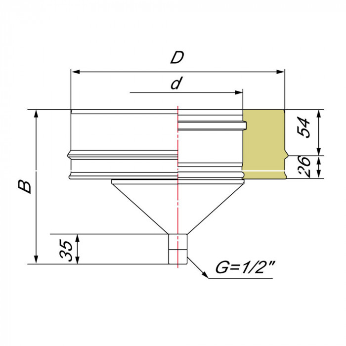
Конденсатосборник Вулкан – это надежное устройство для задержки и удаления конденсата, который может собираться в системах трубопроводов. Его ключевая функция заключается в предотвращении накопления влаги, что важно для поддержания эффективной работы всей системы отопления или вентиляции. Устройство оснащено двустенной конструкцией, что делает его более долговечным и устойчивым к внешним воздействиям. Это качественное решение для тех, кто ценит надежность и долговечность своих инженерных систем.
Благодаря особенной конструкции, конденсатосборник позволяет эффективно отводить избыточную влагу, предотвращая коррозию и повреждения трубопровода. Это особенно важно для систем, работающих в условиях переменных температур, когда на стенках трубы нередко образуется конденсат.
Устройство изготовлено из высококачественной нержавеющей стали марки AISI 321 и 304. Эти марки стали известны своими превосходными антикоррозийными свойствами. Матовая и зеркальная поверхность стали позволят выбрать именно тот дизайн, который лучше всего впишется в систему трубопроводов и подойдёт по внешнему виду. Толщина стенок конденсатосборника составляет 0,5 мм, что обеспечивает оптимальный баланс между прочностью и массой устройства. Такая прочность материала делает изделие устойчивым к механическим повреждениям, что увеличивает его срок службы.
Инженеры компании Вулкан предусмотрели каждую деталь при создании этого конденсатосборника. Использование современных технологий и качественных материалов обеспечивает долговечность и надёжную работу устройства.
Одним из главных преимуществ конденсатосборника Вулкан является его раструбно-профильное соединение. Это соединение упрощает процесс монтажа устройства на трубы с диаметром 200/300 мм, позволяя избежать лишних усилий и затрат времени. Удобство монтажа – важный аспект, который позволяет быстро адаптировать устройство к любой системе трубопроводов без риска возникновения утечек конденсата.
Кроме того, конструкция, разработанная инженерами Вулкан, обеспечивает надежную герметичность соединений, что предотвращает появление протечек, и тем самым гарантирует надёжное функционирование системы трубопровода без сбоев.
Таким образом, конденсатосборник Вулкан – это идеальное решение для тех, кто ищет надежность и долговечность в компонентах своих трубопроводных систем. Подходящее для использования в самых разнообразных условиях, это устройство гарантированно прослужит вам долгие годы, не требуя частого обслуживания и замен.
Бренд | Вулкан |
Помогите другим пользователям с выбором - будьте первым, кто поделится своим мнением об этом товаре.
Проектирование систем отопления в Москве и Московской области: Комплексное решение под ключ
Подробнее


