







































Зарегистрируйтесь, чтобы делать покупки, отслеживать заказы и пользоваться персональными скидками и баллами.
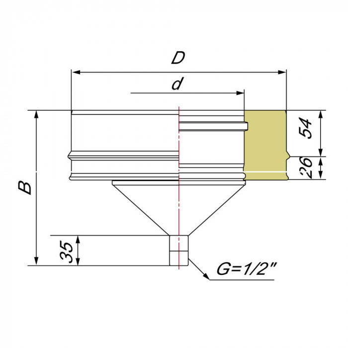
Конденсатосборник – это устройство, позволяющее эффективно управлять влагоотведением в вентиляционных и дымоходных системах. Модель от бренда Вулкан представляет собой двустенный конденсатосборник с раструбно-профильным соединением. Диаметр трубы, на которую устанавливается это устройство, составляет 250/350 мм, что делает его универсальным выбором для разных систем. Благодаря высокому качеству и продуманной конструкции наш конденсатосборник обеспечит надежную и долгосрочную работу вашей системы, предотвращая скопление влаги.
Количество проблем, связанных с чрезмерной влажностью в системах вентиляции и дымоудаления, может быть значительно снижено с помощью правильного оборудования. Использование конденсатосборника Вулкан позволяет защитить оборудование от разрушительного воздействия влаги, продлевая срок его службы и увеличивая его эффективность. Это устройство стало удачным выбором для частных домов и промышленных помещений, где важно поддерживать стабильный уровень влажности.
Конденсатосборник Вулкан изготовлен из высококачественной нержавеющей стали, а именно марок AISI 321 и AISI 304. Эти материалы широко известны своими стойкими характеристиками:
Эти материалы создают отличный баланс между эстетическими характеристиками и практическими свойствами, а раструбно-профильное соединение обеспечивает надежное закрепление и герметичность. Это делает установку более простой и быстрой, а также минимизирует возможные потери тепла и появление конденсата в местах соединений.
Конденсатосборник Вулкан предназначен для решения нескольких задач в вашей системе вентиляции или дымоудаления. Он позволяет:
Используя конденсатосборник от бренда Вулкан, вы получите не только эффективное решение проблем с влажностью, но и возможность сэкономить на ремонте и обслуживании системы в долгосрочной перспективе. Это устройство станет надежной частью вашей системы, обеспечивая защиту и уход за оборудованием на протяжении всего срока его службы.
Бренд | Вулкан |
Помогите другим пользователям с выбором - будьте первым, кто поделится своим мнением об этом товаре.
Проектирование систем отопления в Москве и Московской области: Комплексное решение под ключ
Подробнее


