







































Зарегистрируйтесь, чтобы делать покупки, отслеживать заказы и пользоваться персональными скидками и баллами.
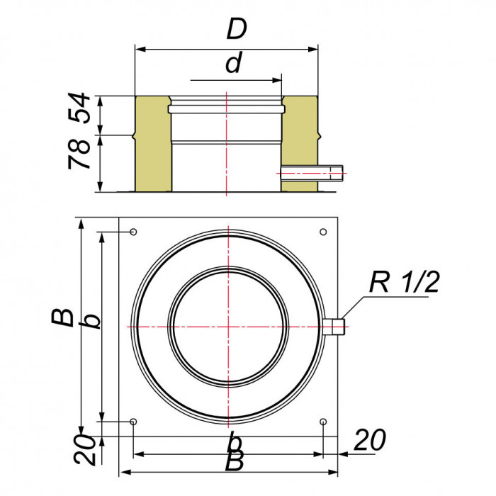
Опора нижняя с боковым выпуском конденсата является важной деталью для дымоходных систем. Она выполняет функцию отвода конденсата, который образуется при работе системы отопления. Эта модель от компании Вулкан выделяется своей надежностью и качественным исполнением.
Конструкция данного элемента отличается двустенной структурой. Это означает, что она состоит из двух слоев, что значительно увеличивает ее прочность и долговечность. Благодаря такому строению, опора может эффективно выдерживать высокие температуры и нагрузки, что немаловажно для работы в сложных условиях.
Для изготовления опоры использованы качественные материалы. Основным материалом служит нержавеющая сталь марок AISI 321 и 304. Эти марки стали хорошо известны своей коррозионной стойкостью и долговечностью. Сталь AISI 321 является матовой, а AISI 304 — зеркальной, что позволяет выбрать нужный вариант в зависимости от эстетических предпочтений или требований. Толщина стали составляет 0,5 мм, что гарантирует надежность конструкции.
Нержавеющая сталь делает изделие устойчивым к агрессивным воздействиям окружающей среды, таким как влага и резкие перепады температур. Это особенно важно для эксплуатации в любой климатической зоне.
Раструбно-профильное соединение — одна из ключевых особенностей данной опоры. Этот тип соединения обеспечивает хорошую герметичность системы, предотвращая утечку дыма и конденсата. Оно позволяет легко и быстро монтировать и демонтировать опору, что упрощает процесс установки и обслуживания.
Установка опоры при помощи раструбно-профильного соединения обеспечивает:
Таким образом, опора нижняя с боковым выпуском конденсата от бренда Вулкан сочетает в себе высокое качество материалов и продуманную конструкцию. Это делает ее отличным выбором для тех, кто ценит надежность и долговечность своих дымоходных систем.
| Бренд | Вулкан | 
Помогите другим пользователям с выбором - будьте первым, кто поделится своим мнением об этом товаре.
Проектирование систем отопления в Москве и Московской области: Комплексное решение под ключ
Подробнее


