







































Зарегистрируйтесь, чтобы делать покупки, отслеживать заказы и пользоваться персональными скидками и баллами.
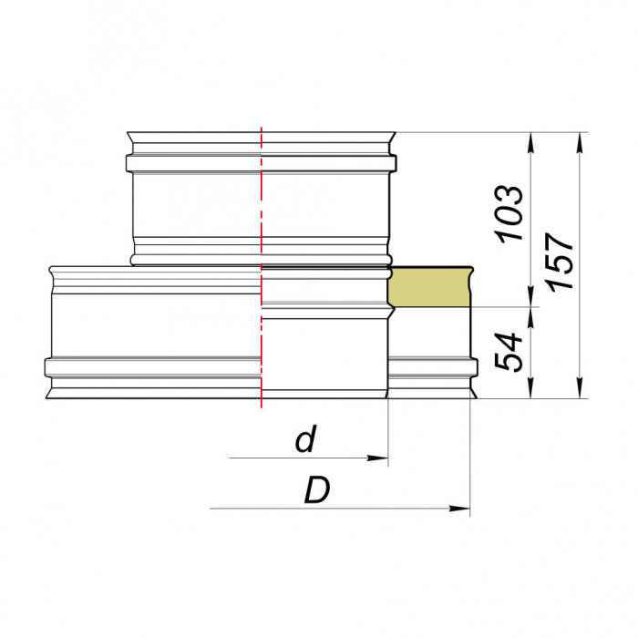
Этот переходник предназначен для подключения термо-моно системы к дымоходу и предоставляет надежное соединение с параметрами D115/210 мм на D115 мм. Разработанный брендом Вулкан, он является частью высококачественного дымоходного оборудования. Основным преимуществом данного изделия является его двустенное устройство с раструбно-профильным соединением, что обеспечивает дополнительную стабильность и герметичность конструкции.
Переходник служит важным элементом систем отопления, где необходимы безопасные и качественные соединения. Особая конструкция позволяет легко интегрировать его в существующие дымоходные системы, минимизируя риск утечки дыма и повышая общую безопасность. Он идеально подходит для использования в частных домах, где особое внимание уделяется надежности элементов системы отопления.
Для производства этого переходника используются два типа нержавеющей стали: матовая AISI 321 и зеркальная AISI 304. Обе марки стали известны своей прочностью и устойчивостью к коррозии. Толщина стенок составляет 0,5 мм, что обеспечивает оптимальный баланс между легкостью и надежностью изделия. Конструкция с двустенными элементами способствует удержанию тепла и формирует дополнительный барьер, препятствующий образованию конденсата.
Использование нержавеющей стали делает этот переходник стойким к температурным перепадам и механическим повреждениям. Даже при длительной эксплуатации он сохраняет свои характеристики, не подвергаясь деформациям и сохраняя эстетичный внешний вид. Таким образом, материал и конструкция переходника обеспечивают длительный срок службы и эффективность работы всей системы отопления.
В заключение, переходник термо-моно от бренда Вулкан представляет собой надежное решение для систем, требующих стабильности и качества в каждом элементе. Его характеристики соответствуют высоким стандартам современного оборудования, что делает его незаменимой частью дымоходной системы.
Бренд | Вулкан |
Помогите другим пользователям с выбором - будьте первым, кто поделится своим мнением об этом товаре.
Проектирование систем отопления в Москве и Московской области: Комплексное решение под ключ
Подробнее


