







































Зарегистрируйтесь, чтобы делать покупки, отслеживать заказы и пользоваться персональными скидками и баллами.
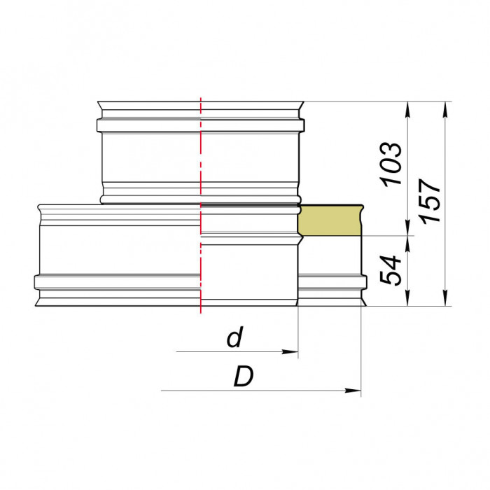
Этот переходник от известного бренда Вулкан предназначен для дымоходных систем. Он соединяет трубы двух разных диаметров: 200/300 мм и 200 мм. Такой переходник является важной составляющей в монтаже дымохода, так как позволяет обеспечить надежное и герметичное соединение элементов системы. Используя данный переходник, вы можете быть уверены в безопасности и эффективности работы вашей дымоходной системы.
Особенностью данного переходника является его двустенная конструкция с раструбно-профильным соединением. Это означает, что переходник состоит из двух стенок, что повышает его прочность и долговечность. Раструбно-профильное соединение обеспечивает легкость и точность монтажа, что делает установку максимально простой и надежной.
Переходник изготовлен из нержавеющей стали, что является залогом его долговечности и надежности. В его производстве использованы марки стали AISI 321 и AISI 304. AISI 321 отличается матовой поверхностью и обладает высокой устойчивостью к коррозии, что делает его отличным выбором для эксплуатации в агрессивных средах. AISI 304 имеет зеркальную поверхность, что придает изделию более эстетичный и современный вид. Стоит отметить, что обе марки стали имеют толщину 0,5 мм, что оптимально для обеспечения прочности и долговечности изделия.
Нержавеющая сталь является материалом, который отлично подходит для производства элементов дымохода благодаря своим химическим и физическим свойствам. Она устойчива к воздействию высоких температур и химических веществ, которые могут быть в дыме, что крайне важно для обеспечения безопасности эксплуатации дымохода.
В заключение, переходник термо-моно от бренда Вулкан является надежным и долговечным элементом для вашей дымоходной системы. Он обеспечивает безопасность и эффективность работы, а также обладает рядом преимуществ, которые делают его использование удобным и выгодным. Благодаря качественным материалам и продуманной конструкции, этот переходник станет отличным выбором для любой системы дымохода.
Бренд | Вулкан |
Помогите другим пользователям с выбором - будьте первым, кто поделится своим мнением об этом товаре.
Проектирование систем отопления в Москве и Московской области: Комплексное решение под ключ
Подробнее


