







































Зарегистрируйтесь, чтобы делать покупки, отслеживать заказы и пользоваться персональными скидками и баллами.
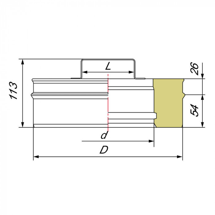
Бренд Вулкан предлагает прочные и надежные ревизии для труб с диаметром 130/230 мм. Этот продукт выделяется эффективным раструбно-профильным соединением, которое обеспечивает надежность и долговечность. Ревизия характерна своей универсальностью и подходит для различных систем отопления и вентиляции.
Изделие производится из высококачественной нержавеющей стали, что делает его устойчивым к коррозии и внешним воздействиям. Матовая сталь AISI 321 и зеркальная AISI 304 — это идеальные материалы для обеспечения долгого срока службы изделия. Толщина стали составляет 0,5 мм, что оптимально для поддержания нужного уровня прочности.
Одной из ключевых особенностей этой ревизии является использование различных марок нержавеющей стали. Матовая сталь AISI 321 отлично подходит для эксплуатации в условиях пыли и влаги благодаря своим антикоррозийным свойствам. Такая сталь известна своей устойчивостью к агрессивным средам и обладает высокой прочностью, что делает ее идеальной для использования в сложных условиях.
Зеркальная сталь AISI 304 также обладает отличными антикоррозийными свойствами и устойчивостью к высоким температурам. Она широко используется во многих промышленных и бытовых приложениях из-за своей способности сохранять свойства при постоянных термических нагрузках. Применение такой стали в ревизиях от бренда Вулкан повышает их надежность и долгий срок службы.
Ревизии от бренда Вулкан с диаметром 130/230 мм находят широкое применение в системах отопления и вентиляции. Благодаря двустенной конструкции и раструбно-профильному соединению они обеспечивают герметичность и легкость установки. Эти конструкции идеально подходят для использования в котельных, каминах и других отопительных установках.
Ревизия имеет простую и быструю систему монтажа, которая облегчает ее интеграцию в любые существующие системы. Повышенная надежность изделия гарантирует, что даже при длительном использовании оно будет сохранять свою функциональность и внешний вид. Универсальность и эффективность этой ревизии делают ее незаменимым элементом в системах и конструкциях, требующих особых условий эксплуатации.
Бренд | Вулкан |
Помогите другим пользователям с выбором - будьте первым, кто поделится своим мнением об этом товаре.
Проектирование систем отопления в Москве и Московской области: Комплексное решение под ключ
Подробнее


