







































Зарегистрируйтесь, чтобы делать покупки, отслеживать заказы и пользоваться персональными скидками и баллами.
Двустенная ревизия – это специальное устройство, которое применяется в системе вентиляции и дымоудаления. Оно обеспечивает надежное и герметичное соединение различных частей трубы. Это особенно важно для поддержания безопасности и эффективности всей системы. Продукт марки Вулкан известен своим высоким качеством и долговечностью, что делает его популярным выбором среди профессионалов.
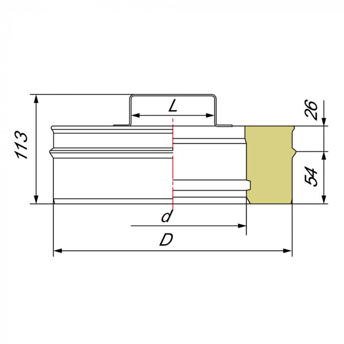
Данная ревизия имеет раструбно-профильное соединение. Это означает, что установка элемента осуществляется путем совмещения раструба одной трубы с профильным элементом другой. Это упрощает процесс монтажа и снижает риск ошибочных соединений. Размеры ревизии составляют 150/250 мм, что подходит для большинства стандартных вентиляционных систем.
Для изготовления двустенной ревизии Volcano использована нержавеющая сталь. Это важный момент, так как материал обеспечивает надежность и долговечность конструкции. Бренд Вулкан использует сталь двух типов: AISI 321 и AISI 304. Каждая из них имеет свои особенности, определяющие эффективность продукта.
Сталь AISI 321, с матовой поверхностью, обладает повышенной термостойкостью и устойчива к коррозии. Эти качества делают ее идеальной для использования в условиях высокой температуры или в агрессивных средах. Это особенно важно для вентиляционных систем, которые работают с продуктами горения.
Зеркальная сталь AISI 304, также применяемая в конструкции, придает изделию эстетичный вид и увеличивает его стойкость к окислению. Полированная поверхность этой стали не только привлекательна, но и облегчает уход за деталью и предотвращает накопление загрязнений.
Установка двустенной ревизии Volcano с раструбно-профильным соединением значительно упрощает монтажные работы. Благодаря качественным материалам и умелому конструктивному решению монтаж становится быстрым и безопасным. Оптимальные размеры позволяют использовать изделие как в новых установках, так и в модернизации уже существующих систем.
Ревизия может использоваться в системах различного типа, таких как вентиляция, дымоудаление или кондиционирование воздуха. Эффективность и надежность изделия, а также использование высококачественных материалов делают его идеальным элементом для различных конструкций.
Бренд | Вулкан |
Помогите другим пользователям с выбором - будьте первым, кто поделится своим мнением об этом товаре.
Проектирование систем отопления в Москве и Московской области: Комплексное решение под ключ
Подробнее


