







































Зарегистрируйтесь, чтобы делать покупки, отслеживать заказы и пользоваться персональными скидками и баллами.
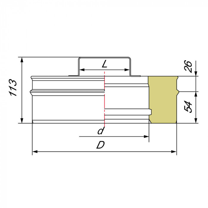
Ревизия с двустенным соединением — это важный элемент системы трубопроводов, который обеспечивает надежность и эффективность их функционирования. Данный продукт разработан с учетом всех современных требований к качеству и безопасности. Ревизия устанавливается на трубы с диаметром 200/300 мм и обеспечивает легкий доступ для осмотра и обслуживания систем.
Бренд Вулкан славится своим высоким качеством и надежностью выпускаемой продукции. Все изделия проходят строгий контроль на всех этапах производства, что гарантирует их долговечность и эффективную работу в любой системе.
Ревизия изготовлена из высококачественной нержавеющей стали, что обеспечивает долговечность и устойчивость к внешним воздействиям. Используются две марки стали: AISI 321 (матовая) и AISI 304 (зеркальная). Эти материалы известны за свои отличные антикоррозийные свойства, благодаря чему ревизия способна выдерживать агрессивные среды и перепады температур.
Толщина стенок составляет 0.5 мм, что обеспечивает оптимальное сочетание прочности и легкости конструкции. Такой подход позволяет уменьшить нагрузку на систему и увеличить срок службы изделия.
Одной из ключевых особенностей представленной ревизии является раструбно-профильное соединение. Это решение позволяет добиться высокой герметичности и надежности при монтаже изделия. Соединительные элементы плотно прилегают друг к другу, что минимизирует риск утечек и обеспечивает стабильную работу системы.
Простота монтажа и демонтажа делает процесс установки быстрым и удобным. Такое соединение не только упрощает работу монтажникам, но и существенно сокращает время обслуживания системы, так как позволяет быстро получить доступ к внутренней части трубопровода для проверки и ремонта.
Бренд Вулкан предлагает надежные решения, гарантируя долговечность и эффективность своей продукции. Ревизия с двустенным соединением — это ваш выбор для обеспечения безопасности и стабильности системы трубопроводов.
Бренд | Вулкан |
Помогите другим пользователям с выбором - будьте первым, кто поделится своим мнением об этом товаре.
Проектирование систем отопления в Москве и Московской области: Комплексное решение под ключ
Подробнее


