







































Зарегистрируйтесь, чтобы делать покупки, отслеживать заказы и пользоваться персональными скидками и баллами.
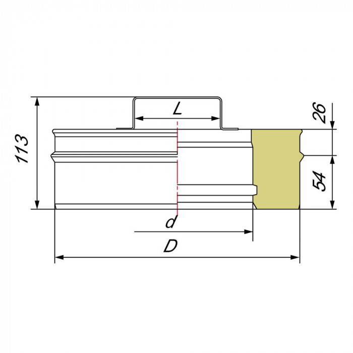
Представляем ревизию с уникальными характеристиками от известного бренда Вулкан. Этот товар называют двустенной ревизией за особенность конструкции, содержащей два слоя для гарантии надежности и долговечности. Она предназначена для использования с трубами диаметром 250/350 мм, что делает ее универсальным решением для многих типов систем. Бренд Вулкан славится качеством своей продукции, и эта ревизия не является исключением.
Оптимизированное раструбно-профильное соединение позволяет монтировать ревизию быстро и легко, обеспечивая надежное крепление на трубу. Это особенно важно для систем, где требуется частое обслуживание или замена элементов, так как ревизия будет всегда находиться на своем месте без риска смещений или протечек.
Изготовленная из нержавеющей стали, двустенная ревизия от Вулкан предлагает сочетание двух разновидностей материала, а именно матовой стали AISI 321 и зеркальной стали AISI 304. Оба этих типа стали известны своей стойкостью к агрессивным средам и коррозии, что является залогом долговечности использования. Толщина стенок составляет 0,5 мм, что является достаточным показателем для обеспечения прочности конструкции без утяжеления всей системы.
Нержавеющая сталь AISI 321 хорошо сопротивляется износу и окислению, особенно в условиях повышенных температур, что делает этот материал идеальным для использования в системах отопления или вентилирования. В свою очередь, сталь AISI 304 обеспечивает отличный внешний вид благодаря своей зеркальной поверхности, которая сохраняет эстетику даже при длительной эксплуатации.
Рассмотрим основные преимущества и характеристики, которые делают двустенную ревизию бренда Вулкан надежным и востребованным выбором для различных систем:
Товар является оптимальным решением как для профессиональных установщиков, так и для частных пользователей, которые ценят качество и долговечность. Ревизия от Вулкан – это ваша уверенность в надежности и эффективности систем, в которых она используется.
Бренд | Вулкан |
Помогите другим пользователям с выбором - будьте первым, кто поделится своим мнением об этом товаре.
Проектирование систем отопления в Москве и Московской области: Комплексное решение под ключ
Подробнее


