







































Зарегистрируйтесь, чтобы делать покупки, отслеживать заказы и пользоваться персональными скидками и баллами.
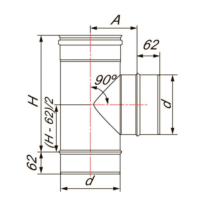
Тройник 90° на расширителе предназначен для соединения труб различных участков системы. Он используется в системах вентиляции, кондиционирования и отопления, где требуется распределение потоков воздуха или других газов. Этот элемент трубопровода помогает создать надежное и герметичное соединение на радость тем, кто хочет обеспечить свою систему дополнительной гибкостью и эффективностью.
Изготовленный из нержавеющей стали, тройник обладает высокой прочностью и устойчивостью к агрессивным средам. Особенность данного изделия заключается в использовании стали марки AISI 304, которая известна своим отличным сопротивлением коррозии. Нержавеющая сталь имеет зеркальную поверхность, что делает изделие не только функциональным, но и эстетичным. Тонкий слой в 0,5 мм обеспечивает идеальное сочетание легкости и прочности, благодаря чему тройник долго служит без потери своих первоначальных свойств. Диаметр подключения составляет 110 мм, что делает данный тройник подходящим для использования с трубами именно этого размера.
Пользователи выбирают тройники из нержавеющей стали AISI 304 не просто так. Эта марка стали славится своими уникальными свойствами, которые делают ее довольно популярной в промышленности и домашнем хозяйстве. Прежде всего, она устойчива к коррозии, что особенно важно в средах, где возможны перепады температур или контакт с влагой. Это свойство гарантирует долгий срок службы изделия. Вдобавок, сталь легко поддается обработке и сварке, что упрощает работу с ней для мастеров и профессионалов.
Такая сталь также устойчива к механическим повреждениям, что позволяет ей сохранять свой внешний вид даже при условии интенсивного использования. Зеркальная поверхность не только выглядит привлекательно, но и облегчает уход за изделием, так как загрязнения легко удаляются, не оставляя следов. Тройники из AISI 304 подчеркивают высокие стандарты качества и надежности любой системы, где они применяются.
Установка тройника 90° на расширителе открывает перед пользователями широкий спектр возможностей. Такой элемент трубопровода может применяться в самых разных системах, от вентиляции до водоснабжения. Независимо от назначения, тройник обеспечивает легкость монтажа и обеспечивает плотное соединение, что важно для упрощения процесса установки и минимизации потерь.
Очевидно, что тройник 90° на расширителе с диаметром 110 мм, изготовленный из нержавеющей стали AISI 304, является надежным и долговечным решением для создания эффективных и прочных соединений в различных технологических системах. Его универсальность и стойкость к агрессивным условиям делают его незаменимым элементом, который поможет обеспечить долговечность и эффективность вашей системы.
Помогите другим пользователям с выбором - будьте первым, кто поделится своим мнением об этом товаре.
Проектирование систем отопления в Москве и Московской области: Комплексное решение под ключ
Подробнее

