







































Зарегистрируйтесь, чтобы делать покупки, отслеживать заказы и пользоваться персональными скидками и баллами.
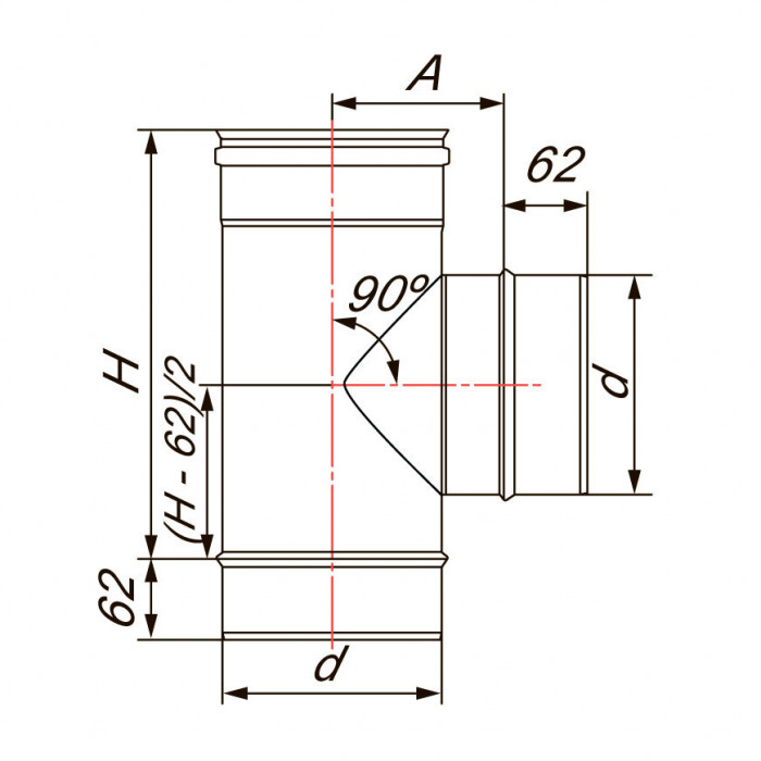
Тройник 90° на расширителе для трубы диаметром 150 мм — это важный элемент вентиляционных и дымоходных систем, который используется для разветвления потока воздуха или газа. Он помогает организовать дополнительные ответвления в системе без необходимости полного её перепроектирования. Такие тройники очень полезны, когда нужно подвести воздух в две разных точки или отвести его от сложного участка, например, в дымоходах или системах кондиционирования воздуха.
Изготовленный из нержавеющей стали марки AISI 304, тройник обладает высокими показателями долговечности и стойкости к внешним воздействиям. Нержавеющая сталь AISI 304 известна своей устойчивостью к коррозии, что делает её идеальной для использования в условиях повышенной влажности и температуры, характерных для вентиляционных и дымоходных систем. Зеркальная поверхность материала не только придаёт изделию эстетичный вид, но и предотвращает накопление пыли и грязи, облегчая уход за системой.
Толщина материала составляет 0,5 мм, что обеспечивает достаточную прочность конструкции при её небольшой массе. Благодаря этому, монтаж тройника становится проще, а общий вес всей системы — меньше. Это важно для тех проектов, где необходимо учитывать вес всех используемых компонентов, например, при установке на легких конструкциях.
Использование тройника 90° на расширителе в вентиляционных системах имеет несколько значительных преимуществ:
При выборе подходящих компонентов для вентиляционной или дымоходной системы важно учитывать особенности каждого элемента. Тройник 90° на расширителе — это качественное решение, продлевающее срок службы и улучшающее эффективность вашей системы. Его надёжность и эстетичность делают его отличным выбором для разнообразных инженерных задач.
Помогите другим пользователям с выбором - будьте первым, кто поделится своим мнением об этом товаре.
Проектирование систем отопления в Москве и Московской области: Комплексное решение под ключ
Подробнее

