







































Зарегистрируйтесь, чтобы делать покупки, отслеживать заказы и пользоваться персональными скидками и баллами.

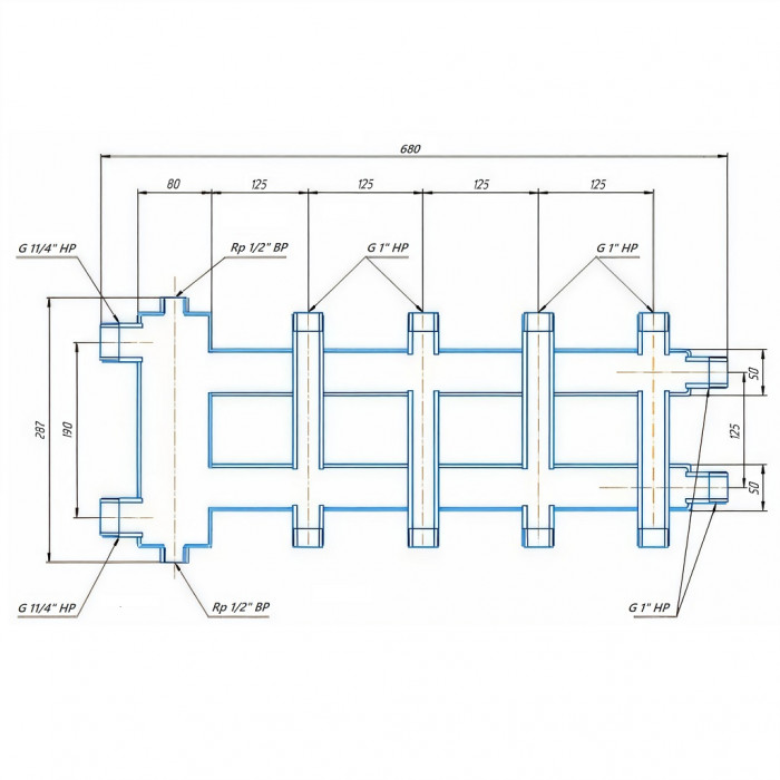
Коллектор ROMMER RDG-0060-024025 — это надежный элемент отопительной системы, выполненный из стали. Этот компактный коллектор оборудован встроенным гидроразделителем и предназначен для работы в отопительных системах с мощностью до 60 кВт. Благодаря своей конструкции, он эффективно распределяет и контролирует температуру теплоносителя, обеспечивая комфортное отопление в различных помещениях.
Одной из ключевых характеристик коллектора ROMMER является высокая пропускная способность отводов — Kvs, достигающая 60 м³/ч. Это позволяет эффективно справляться с заданным объемом теплоносителя, обеспечивая стабильную работу системы отопления. Коллектор состоит из пяти отопительных контуров, распределенных по формуле 2+2+1, что делает его гибким в настройки под различные требования отопительной системы.
Главным преимуществом использования коллектора ROMMER в системе отопления является его способность равномерно распределять тепловую энергию по всем помещениям. Это гарантирует поддержание постоянной и комфортной температуры, что особо важно в условиях переменных погодных условий. Кроме того, использование данного коллектора помогает увеличить энергоэффективность системы, снижая затраты на отопление.
Дополнительные преимущества включают в себя простоту установки и надежность конструкции коллектора. Прочная стальная основа обеспечивает долговечность и устойчивость устройства к различным внешним воздействиям. Стандартный диаметр подключения 1.25 дюйма позволяет легко интегрировать коллектор в существующие системы инженерной сантехники, делая его гибким решением для разнообразных инженерных проектов.
Стандарт подключения, дюйм | 1.25 |
Пропускная способность отводов, Kvs, м3/ч | 60 |
Направление | Инженерная сантехника |
Материал изготовления | сталь |
Дополнительно | 5 отопительных контуров (2+2+1) |
Бренд | ROMMER |
Помогите другим пользователям с выбором - будьте первым, кто поделится своим мнением об этом товаре.
Проектирование систем отопления в Москве и Московской области: Комплексное решение под ключ
Подробнее








